Diagrama Eléctrico Mazda Xedos 9 2002 PDF Gratis

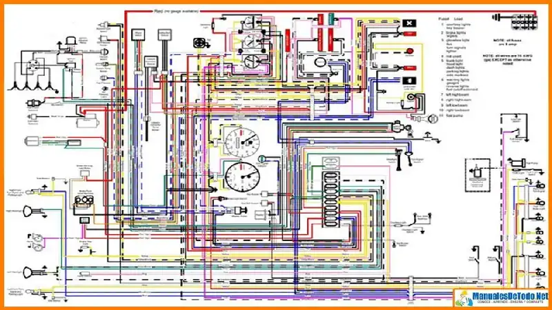
El diagrama eléctrico Mazda Xedos 9 2002 es una herramienta esencial para cualquier técnico o propietario que desee entender y solucionar problemas eléctricos en su vehículo.
Este diagrama proporciona una representación detallada del sistema eléctrico del coche, incluyendo todos los componentes y sus conexiones. Aqui podrás realizar la descarga gratuita de este valioso recurso.
- Esquema Eléctrico Mazda Xedos 9 2002
- Contenido del Diagrama Eléctrico Mazda Xedos 9 2002
- Diagrama de Computadora Mazda Xedos 9 2002
- Diagrama de Motor Mazda Xedos 9 2002
- Diagrama de Cableado Mazda Xedos 9 2002
- Manual Diagrama de Fusibles Mazda Xedos 9 2002
- Diagrama de Relevadores Mazda Xedos 9 2002
- Diagrama de Encendido Mazda Xedos 9 2002
- Diagrama de Sensores Mazda Xedos 9 2002
- Diagrama de Vidrios Eléctricos Mazda Xedos 9 2002
- Diagrama de Relay Mazda Xedos 9 2002
- Diagrama de Distribuidor Mazda Xedos 9 2002
- Diagrama de Estéreo Mazda Xedos 9 2002
- Diagrama de Tablero Mazda Xedos 9 2002
- Diagrama de Luces Mazda Xedos 9 2002
- Otros Diagramas Eléctricos Mazda Xedos 9 2002 se pueden Consultar
- Conclusión sobre el Diagrama Eléctrico Mazda Xedos 9 2002
- Cómo descargar el Diagrama Eléctrico
- Descargar Diagrama Eléctrico Mazda Xedos 9 2002
- Más Recursos para Conseguir el Diagrama Eléctrico Mazda Xedos 9 2002
- Descargar Más Manuales Mazda
Esquema Eléctrico Mazda Xedos 9 2002

Contenido del Diagrama Eléctrico Mazda Xedos 9 2002

Es importante saber que el diagrama eléctrico del Mazda Xedos 9 2002 incluye sub diagramas de cada uno de los sistemas que operan con la energía electrica del vehículo, a continuación te explicamos los mas importantes y que se incluyen en el mapa electrico del Mazda Xedos 9 2002.
Diagrama de Computadora Mazda Xedos 9 2002

El diagrama de computadora del Mazda Xedos 9 2002 es una guía detallada que muestra todas las conexiones eléctricas y componentes asociados con la unidad de control del motor (ECU).
Este diagrama es crucial para diagnosticar y resolver problemas eléctricos complejos en el vehículo.
¿Qué se Puede Consultar en el Diagrama?
En el diagrama de computadora del Mazda Xedos 9 2002, se pueden consultar los siguientes elementos:
- Conexiones de la ECU: Ubicación y conexiones de todos los pines de la ECU.
- Sensores: Conexiones de sensores como el sensor de oxígeno, sensor de temperatura del motor, y sensor de flujo de aire masivo.
- Actuadores: Conexiones de actuadores como inyectores de combustible y válvulas de control de aire.
- Relés y Fusibles: Posición y conexión de los relés y fusibles relacionados con la ECU.
- Sistemas de Diagnóstico: Conexiones del puerto OBD-II y circuitos de diagnóstico.
Características del Diagrama de Computadora
- Detallado: Incluye diagramas precisos y completos de todas las conexiones de la ECU.
- Codificado por Colores: Utiliza códigos de colores para identificar fácilmente los diferentes cables y sus funciones.
- Notas y Anotaciones: Contiene anotaciones y referencias útiles para facilitar la interpretación.
Correcto Uso del Diagrama de Computadora
Para utilizar correctamente el diagrama de computadora del Mazda Xedos 9 2002, sigue estos pasos:
- Identifica el Problema: Determina el problema específico que necesitas resolver.
- Consulta el Diagrama: Localiza la sección del diagrama relacionada con el problema.
- Verifica Conexiones: Sigue las conexiones eléctricas desde la ECU hasta los componentes afectados.
- Realiza Pruebas: Utiliza un multímetro para verificar la continuidad y voltaje en los cables.
- Reemplaza Componentes Defectuosos: Si es necesario, reemplaza los componentes defectuosos basándote en las pruebas realizadas.
Posibles Fallas que se Pueden Resolver Consultando el Diagrama
Algunas de las fallas que se pueden diagnosticar y resolver consultando el diagrama de computadora incluyen:
| Falla | Descripción |
|---|---|
| Problemas de Inyección de Combustible | Diagnosticar fallos en los inyectores y su conexión con la ECU. |
| Fallas en Sensores | Verificar la correcta conexión y funcionamiento de sensores como el de oxígeno o flujo de aire. |
| Errores de Comunicación OBD-II | Resolver problemas de comunicación entre la ECU y el puerto de diagnóstico OBD-II. |
| Problemas de Encendido | Solucionar fallas en el sistema de encendido controlado por la ECU. |
| Fallos en Relés y Fusibles | Identificar y reemplazar relés y fusibles defectuosos relacionados con la ECU. |
Beneficios de Consultar el Diagrama de Computadora
- Diagnóstico Preciso: Permite identificar problemas específicos y sus causas.
- Ahorro de Tiempo: Facilita la resolución rápida de problemas eléctricos.
- Reducción de Costos: Evita la sustitución innecesaria de componentes.
- Mayor Confiabilidad: Asegura reparaciones más confiables y duraderas.
Diagrama de Motor Mazda Xedos 9 2002

El diagrama de motor del Mazda Xedos 9 2002 proporciona una visión detallada de todos los componentes eléctricos y sus conexiones dentro del sistema del motor.
Este diagrama es esencial para diagnosticar y solucionar problemas relacionados con el funcionamiento del motor.
¿Qué se Puede Consultar en el Diagrama?
En el diagrama de motor del Mazda Xedos 9 2002, se pueden consultar los siguientes elementos:
- Sistema de Encendido: Conexiones de bujías, bobinas de encendido y módulos de control de encendido.
- Sistema de Inyección de Combustible: Conexiones de los inyectores de combustible y la bomba de combustible.
- Sensores del Motor: Conexiones de sensores como el sensor de posición del cigüeñal, sensor de posición del árbol de levas y sensor de temperatura del motor.
- Actuadores del Motor: Conexiones de actuadores como válvulas EGR y válvulas de control de aire.
- Relés y Fusibles: Ubicación y conexiones de los relés y fusibles que protegen los circuitos del motor.
Características del Diagrama de Motor
- Detallado: Incluye diagramas precisos de todas las conexiones eléctricas del motor.
- Codificado por Colores: Utiliza códigos de colores para facilitar la identificación de cables y conexiones.
- Anotaciones Útiles: Contiene notas y referencias para una fácil interpretación de los componentes y sus conexiones.
Posibles Fallas que se Pueden Resolver Consultando el Diagrama
Algunas de las fallas que se pueden diagnosticar y resolver consultando el diagrama de motor incluyen:
| Falla | Descripción |
|---|---|
| Fallas en el Sistema de Encendido | Diagnosticar problemas en las bujías, bobinas de encendido y módulos de control. |
| Problemas de Inyección de Combustible | Verificar el funcionamiento y las conexiones de los inyectores y la bomba de combustible. |
| Errores en Sensores del Motor | Solucionar fallas en sensores críticos como el sensor de posición del cigüeñal y el sensor de temperatura del motor. |
| Fallos en Actuadores del Motor | Identificar y resolver problemas en actuadores como las válvulas EGR. |
| Problemas de Relés y Fusibles | Localizar y reemplazar relés y fusibles defectuosos que protegen los circuitos del motor. |
Diagrama de Cableado Mazda Xedos 9 2002

El diagrama de cableado del Mazda Xedos 9 2002 es una representación completa de todas las conexiones eléctricas y el cableado que interconecta los distintos sistemas del vehículo.
Este diagrama es fundamental para realizar un diagnóstico preciso y resolver problemas eléctricos complejos.
¿Qué se Puede Consultar en el Diagrama?
En el diagrama de cableado del Mazda Xedos 9 2002, se pueden consultar los siguientes elementos:
- Rutas de Cableado: Información sobre las rutas de cableado principales y secundarias en todo el vehículo.
- Conexiones de Componentes: Detalles sobre las conexiones eléctricas de componentes como luces, ventanas, sistemas de mazdao y más.
- Fusibles y Relés: Ubicación y especificaciones de los fusibles y relés que protegen los circuitos eléctricos del vehículo.
- Puertas y Ventanas: Conexiones de los sistemas eléctricos de puertas y ventanas, incluyendo motores y controles.
- Sistema de Iluminación: Conexiones de los faros, luces traseras, luces interiores y otros componentes de iluminación.
Posibles Fallas que se Pueden Resolver Consultando el Diagrama
Algunas de las fallas que se pueden diagnosticar y resolver consultando el diagrama de cableado incluyen:
| Falla | Descripción |
|---|---|
| Problemas de Iluminación | Diagnosticar y solucionar fallos en los faros, luces traseras y luces interiores. |
| Fallas en Ventanas Eléctricas | Verificar las conexiones y el funcionamiento de los motores y controles de las ventanas eléctricas. |
| Problemas de Mazdao | Identificar fallas en el sistema de mazdao, incluyendo altavoces y unidad principal. |
| Fusibles y Relés Quemados | Localizar y reemplazar fusibles y relés que protegen los circuitos del cableado. |
| Cortocircuitos | Detectar y solucionar cortocircuitos en el cableado principal y secundario. |
Manual Diagrama de Fusibles Mazda Xedos 9 2002

El manual diagrama de fusibles del Mazda Xedos 9 2002 es una guía detallada que muestra la ubicación y especificaciones de todos los fusibles del vehículo.
Este diagrama es esencial para identificar y reemplazar fusibles defectuosos, asegurando el correcto funcionamiento de los sistemas eléctricos del coche.
¿Qué se Puede Consultar en el Diagrama?
En el manual diagrama de fusibles del Mazda Xedos 9 2002, se pueden consultar los siguientes elementos:
- Ubicación de los Fusibles: Muestra la ubicación exacta de cada fusible en la caja de fusibles del vehículo.
- Especificaciones de los Fusibles: Detalles sobre el amperaje y la función de cada fusible.
- Fusibles de Reserva: Información sobre los fusibles de reserva y su ubicación.
- Relés Asociados: Conexiones y ubicación de los relés asociados con ciertos fusibles.
- Sistemas Protegidos: Listado de los sistemas y componentes protegidos por cada fusible.
Electrico Diagrama de Fusibles: Posibles Fallas que se Pueden Resolver
Algunas de las fallas que se pueden diagnosticar y resolver consultando el electrico diagrama de fusibles incluyen:
| Falla | Descripción |
|---|---|
| Fusibles Quemados | Identificar y reemplazar fusibles que se hayan quemado, afectando el funcionamiento de sistemas eléctricos. |
| Problemas de Iluminación | Resolver fallos en los faros, luces traseras y luces interiores relacionados con fusibles defectuosos. |
| Fallas en el Sistema de Mazdao | Diagnosticar problemas en el sistema de mazdao que pueden ser causados por fusibles quemados. |
| Ventanas Eléctricas Inoperativas | Solucionar problemas en las ventanas eléctricas verificando y reemplazando los fusibles asociados. |
| Problemas en el Sistema de Encendido | Resolver fallas en el sistema de encendido causadas por fusibles defectuosos. |
Diagrama de Caja de Fusibles
El diagrama de caja de fusibles del Mazda Xedos 9 2002 proporciona una representación visual de la disposición de los fusibles dentro de la caja de fusibles del vehículo.
Este diagrama es esencial para localizar rápidamente los fusibles y verificar su estado.
Cada fusible está numerado y etiquetado, lo que facilita su identificación y reemplazo cuando sea necesario.
Diagrama de Relevadores Mazda Xedos 9 2002

El diagrama de relevadores del Mazda Xedos 9 2002 proporciona una guía detallada sobre la ubicación y conexión de todos los relevadores del vehículo.
Los relevadores son componentes críticos que controlan el flujo de corriente hacia varios sistemas eléctricos del automóvil, asegurando que funcionen correctamente.
¿Qué se Puede Consultar en el Diagrama?
En el diagrama de relevadores del Mazda Xedos 9 2002, se pueden consultar los siguientes elementos:
- Ubicación de los Relevadores: Muestra la posición exacta de cada relevador en el vehículo.
- Conexiones de Relevadores: Detalles sobre cómo están conectados los relevadores a otros componentes del sistema eléctrico.
- Funciones de los Relevadores: Información sobre la función específica de cada relevador, como luces, encendido, y más.
- Relevadores Asociados a Fusibles: Identificación de los fusibles que protegen los relevadores.
Posibles Fallas que se Pueden Resolver Consultando el Diagrama
Algunas de las fallas que se pueden diagnosticar y resolver consultando el diagrama de relevadores incluyen:
| Falla | Descripción |
|---|---|
| Problemas de Encendido | Diagnosticar y resolver problemas relacionados con el relevador del sistema de encendido. |
| Fallas en el Sistema de Iluminación | Solucionar fallos en las luces del vehículo causados por relevadores defectuosos. |
| Problemas en el Sistema de Ventilación | Identificar y reemplazar relevadores que controlan el sistema de ventilación y aire acondicionado. |
| Fallas en el Sistema de Inyección | Diagnosticar problemas en el sistema de inyección de combustible controlado por relevadores. |
| Problemas en el Sistema de Arranque | Resolver fallos en el sistema de arranque del vehículo debido a relevadores defectuosos. |
Diagrama de Encendido Mazda Xedos 9 2002

El diagrama de encendido del Mazda Xedos 9 2002 ofrece una visión detallada de todas las conexiones eléctricas y componentes del sistema de encendido del vehículo.
Este diagrama es esencial para diagnosticar y solucionar problemas relacionados con el arranque y funcionamiento del motor.
¿Qué se Puede Consultar en el Diagrama?
En el diagrama de encendido del Mazda Xedos 9 2002, se pueden consultar los siguientes elementos:
- Bobinas de Encendido: Conexiones de las bobinas de encendido y su relación con la ECU.
- Bujías: Conexiones y distribución de las bujías en el motor.
- Distribuidor: Si aplica, las conexiones del distribuidor y su relación con las bujías y las bobinas.
- Sensor de Posición del Cigüeñal: Conexiones y función del sensor en el sistema de encendido.
- Interruptor de Encendido: Conexiones del interruptor de encendido y su interacción con otros componentes del sistema.
Posibles Fallas que se Pueden Resolver Consultando el Diagrama
Algunas de las fallas que se pueden diagnosticar y resolver consultando el diagrama de encendido incluyen:
| Falla | Descripción |
|---|---|
| Problemas de Arranque | Diagnosticar fallas en las conexiones del interruptor de encendido o en las bobinas de encendido. |
| Fallas en las Bujías | Identificar problemas en la conexión o el funcionamiento de las bujías. |
| Errores del Sensor de Posición del Cigüeñal | Solucionar fallos en el sensor que pueden afectar el tiempo de encendido del motor. |
| Problemas en el Distribuidor | Si aplica, resolver problemas en la distribución de la chispa a las bujías a través del distribuidor. |
| Fusibles y Relés del Sistema de Encendido | Localizar y reemplazar fusibles y relés defectuosos que protegen los componentes del sistema de encendido. |
Diagrama de Sensores Mazda Xedos 9 2002

El diagrama de sensores del Mazda Xedos 9 2002 ofrece una guía completa de las conexiones eléctricas de todos los sensores del vehículo.
Estos sensores son cruciales para el monitoreo y control de diversos sistemas del coche, asegurando su correcto funcionamiento y rendimiento.
¿Qué se Puede Consultar en el Diagrama?
En el diagrama de sensores del Mazda Xedos 9 2002, se pueden consultar los siguientes elementos:
- Sensor de Oxígeno: Conexiones y ubicación del sensor de oxígeno en el sistema de escape.
- Sensor de Temperatura del Motor: Conexiones del sensor que monitorea la temperatura del motor.
- Sensor de Posición del Acelerador: Conexiones del sensor que mide la posición del acelerador.
- Sensor de Flujo de Aire Masivo (MAF): Conexiones del sensor que mide la cantidad de aire que entra al motor.
- Sensor de Posición del Cigüeñal: Conexiones y función del sensor en el sistema de encendido.
Posibles Fallas que se Pueden Resolver Consultando el Diagrama
Algunas de las fallas que se pueden diagnosticar y resolver consultando el diagrama de sensores incluyen:
| Falla | Descripción |
|---|---|
| Problemas de Rendimiento del Motor | Diagnosticar fallas en sensores críticos como el sensor de oxígeno y el sensor MAF que afectan el rendimiento del motor. |
| Sobrecalentamiento del Motor | Solucionar problemas relacionados con el sensor de temperatura del motor. |
| Fallas en el Sistema de Encendido | Identificar problemas en el sensor de posición del cigüeñal que pueden afectar el tiempo de encendido. |
| Problemas de Aceleración | Resolver fallos en el sensor de posición del acelerador que afectan la respuesta del acelerador. |
| Códigos de Error del ECU | Diagnosticar y resolver códigos de error generados por sensores defectuosos o mal conectados. |
Diagrama de Vidrios Eléctricos Mazda Xedos 9 2002
El diagrama de vidrios eléctricos del Mazda Xedos 9 2002 proporciona una representación detallada de las conexiones y componentes del sistema de ventanas eléctricas del vehículo. Este diagrama es esencial para diagnosticar y resolver problemas relacionados con el funcionamiento de las ventanas eléctricas, incluyendo motores y controles.
Diagrama de Relay Mazda Xedos 9 2002
El diagrama de relay del Mazda Xedos 9 2002 muestra la ubicación y conexiones de todos los relays del vehículo. Los relays son componentes críticos que permiten el control de varios sistemas eléctricos.
Este diagrama ayuda a identificar y solucionar problemas relacionados con relays defectuosos o mal conectados.
Diagrama de Distribuidor Mazda Xedos 9 2002
El diagrama de distribuidor del Mazda Xedos 9 2002 ofrece información detallada sobre las conexiones y el funcionamiento del distribuidor del sistema de encendido.
Este diagrama es crucial para resolver problemas de chispa y asegurar el correcto funcionamiento del motor.
Diagrama de Estéreo Mazda Xedos 9 2002
El diagrama de estéreo del Mazda Xedos 9 2002 proporciona una guía completa de las conexiones eléctricas del sistema de mazdao del vehículo.
Este diagrama es útil para diagnosticar y solucionar problemas relacionados con el estéreo, altavoces y otros componentes de mazdao.
Diagrama de Tablero Mazda Xedos 9 2002
El diagrama de tablero del Mazda Xedos 9 2002 muestra todas las conexiones eléctricas y componentes del panel de instrumentos.
Este diagrama es esencial para resolver problemas relacionados con las luces del tablero, medidores y otros elementos del panel de control.
Diagrama de Luces Mazda Xedos 9 2002
El diagrama de luces del Mazda Xedos 9 2002 proporciona una guía detallada de las conexiones y componentes del sistema de iluminación del vehículo.
Este diagrama es fundamental para diagnosticar y solucionar problemas con los faros, luces traseras, intermitentes y luces interiores.
Otros Diagramas Eléctricos Mazda Xedos 9 2002 se pueden Consultar
Diagrama Eléctrico de Bolsas de Aire


Diagrama Eléctrico de Aire Acondicionado

Códigos de Error OBD-II

Conclusión sobre el Diagrama Eléctrico Mazda Xedos 9 2002
El diagrama eléctrico Mazda Xedos 9 2002 es una herramienta indispensable para cualquier técnico o propietario que desee mantener su vehículo en óptimas condiciones.
Estos diagramas proporcionan una visión detallada de todos los sistemas eléctricos del coche, facilitando el diagnóstico y la solución de problemas.
Desde el sistema de encendido hasta los componentes del tablero, cada diagrama ofrece información crucial que ayuda a identificar fallas y realizar reparaciones precisas.
Acceder a estos diagramas y utilizarlos correctamente asegura que tu Mazda Xedos 9 2002 funcione de manera segura y eficiente.
Cómo descargar el Diagrama Eléctrico
Seguir estos sencillos pasos te permitirá obtener el diagrama eléctrico de forma rápida y segura:
- Demuestra que no eres un ROBOT resolviendo el Captcha
- Descarga los 4 archivos RAR que estan comprimidos dando clic en cada uno de ellos.
- Espera a que el sistema prepare los diagramas eléctricos y se inicie la Descarga.
- Guarda todos los archivos en una misma carpeta y cuando ya tengas todos solo abre el Archivo 1.
- Descomprime con la contraseña: manualesdetodo.net
- Observa el video con las instrucciones de instalación. Tendrás acceso a todos los diagramas para el Mazda Xedos 9 2002.
Descargar Diagrama Eléctrico Mazda Xedos 9 2002
Demuestra que no eres un robot y Completa el Captcha para Descargar:
Más Recursos para Conseguir el Diagrama Eléctrico Mazda Xedos 9 2002
Es importante saber que también existen otras fuentes para poder obtener el Diagrama Eléctrico Mazda Xedos 9 2002 y es descargando Programas de Diagnóstico y Reparación Automotriz especializado en contenido para reparar autos.
Estos programas automotrices incluyen todos los modelos de la marca Mazda y de varios años, Si tienes un Taller Mecanico o te dedicas a la reparación de coches estos programas son indispensables tenerlos además también podrás descargarlos gratis:
- Programas de Diagnóstico y Reparación Automotriz Mazda : Son los programas desarrollados por el mismo fabricante para la reparación de autos Mazda.
- Mitchell on Demand : Es el sistema especializado con información muy precisa para solucionar fallas de coches.
- AutoData : También es un software que ademas de incluir el Diagrama Eléctrico Mazda Xedos 9 2002 contiene guías de reparación de autos.
- Simplo : Este programa también contiene el Diagrama Eléctrico Mazda Xedos 9 2002 y cuenta con una interface muy amigable.
- Alldata : Sin lugar a duda este programa cuenta con todos los Esquemas Eléctricos Mazda Xedos 9 2002 y bastantes guias de reparación.
- Diagramas Eléctricos de Coches : Tambien puedes descargar Diagramas Eléctricos de otras Marcas como el de tu Mazda Xedos 9 2002 en nuestra sección general de Diagramas Eléctricos de Coches.
Descargar Más Manuales Mazda
Los Manuales de Diagramas Eléctricos para Mazda Xedos 9 2002 son complementos de los Manuales de Taller de Coches y de los Catálogos de Partes de Coches que también podrás descargar en nuestro sitio Web, Esperamos que todos y cada uno de ellos te sean de utilidad.
[AFILIADO-DIAGRAMAS-ELECTRICOS-Mazda]